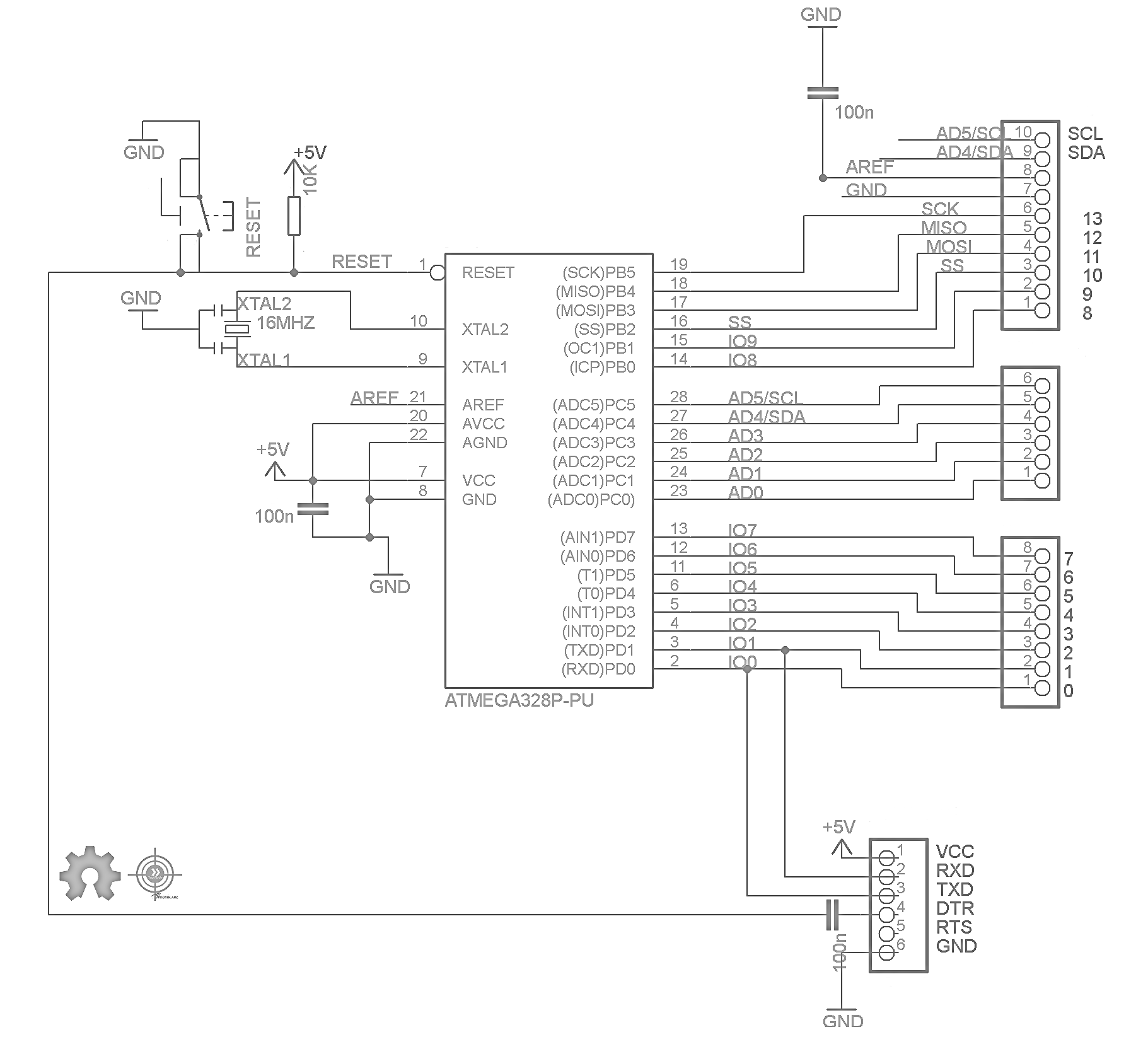
Calculator using arduino uno Arduino internal circuit diagram Arduino uno schematic – electronic schematic diagram arduino uno basic circuit diagram
Eliminator Blog: Arduino Board Schaltplan
Diagram of arduino uno Electrical atmega328 flutter iot Arduino r3 schema atmega328 iot flutter develop
Arduino uno electrical schematic
Arduino schematic atmega atmega328 microcontroller atmega328p pu avr electroschematics bootload wiringUno arduino calculator diagram circuit using explanation Arduino uno schematic ch340 r3 atmega328p ic list partArduino uno internal circuit diagram.
Wiring diagram arduino uno home wiring diagramArduino schematic circuit diagram Circuit diagram for arduino unoEliminator blog: arduino board schaltplan.

Schematic arduino uno atmega328
Arduino uno schematic makerArduino uno schematic diagram Arduino skematik wiring schematics rev3 membandingkanArduino uno r3 schematic ch340.
Arduino uno schematic diagram wiring circuit board ftdi full projects atmega328 know using usb circuitdiagram mega 2011 atmega would likeCircuit diagram of arduino uno r3[6] What is arduino uno hardware board? everything you need to know aboutCircuit diagram of arduino uno atmega328.

Arduino uno circuit diagram explanation
Basic circuit diagram of arduino uno r3Schematic arduino uno circuit diagram .
.






![Circuit Diagram Of Arduino Uno R3[6] | Download Scientific Diagram](https://i2.wp.com/www.researchgate.net/profile/Harpreet-Channi/publication/325722320/figure/fig1/AS:636767061422081@1528828506678/Circuit-Diagram-Of-Arduino-Uno-R36_Q640.jpg)


